Co to jest CryoGAN?
Azot (N2) jest znany ze swoich właściwości ochronnych, dlatego też jest często wykorzystywany w zastosowaniach obojętnych i ekranujących, w których wymagana jest atmosfera beztlenowa. Średniej wielkości odbiorcy często wykorzystują N2 jako „gaz użytkowy”, który jest dostarczany w postaci ciekłej. Nacisk kładziony jest na szczególnie opłacalne dostawy.
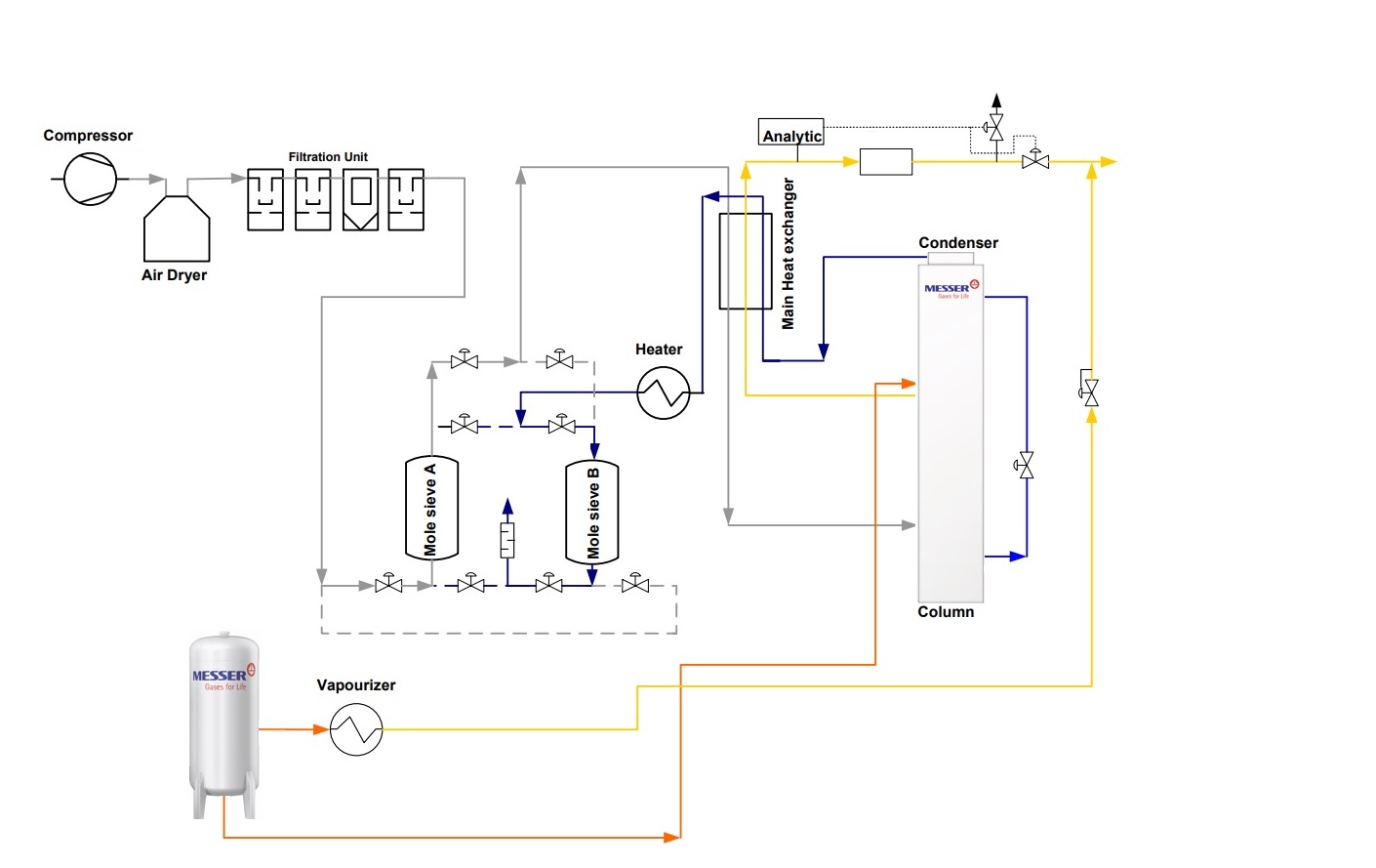
Aby sprostać zapotrzebowaniu na większe ilości azotu przy optymalnych kosztach i bardziej rygorystycznych wymaganiach dotyczących redukcji śladu CO2, Messer opracował koncepcję generatora azotu CryoGAN. CryoGAN to specjalna jednostka do produkcji azotu, która działa na zasadzie kriogenicznej separacji powietrza, ale w każdym przypadku jest dostosowana do wymagań klienta.
Messer opracowuje i buduje generatory CryoGAN we własnym zakresie. Jednostki mają konstrukcję modułową i oferują stopniowany zakres wydajności od 300 Nm3/h do 15 000 Nm3/h. Układ opiera się na filozofii bezpieczeństwa i niezawodności Messer, która jest stosowana od ponad 20 lat w zakładach separacji powietrza dla klientów na całym świecie. Generator azotu został zaprojektowany z myślą o łatwości obsługi i niskich kosztach konserwacji. Aby zminimalizować koszty personelu i koszty operacyjne, wszystkie urządzenia i elementy sterujące procesem będą obsługiwane i monitorowane przez komputerowy system sterowania, dlatego wszystkie instalacje są zdalnie sterowane.
Główne cechy generatora azotu CryoGANu
Niezawodne dostawy ze źródła zapasowego - na wszelki wypadek - są wisienką na torcie każdej koncepcji zakładowej, pozwalając klientowi spać spokojnie pod względem dostaw gazu, nawet w przypadku przestojów konserwacyjnych, przerw w dostawie prądu lub innych nieprzewidzianych zdarzeń. Nasza regionalna sieć logistyczna z centralnie zarządzaną koordynacją europejską, w połączeniu z zaawansowanym planowaniem produkcji, zapewnia każdemu klientowi niezawodne dostawy gazów technicznych od Messer, nawet podczas planowanych i nieplanowanych przestojów.
Opcjonalne produkty uboczne dla generatora azotu:
- sprężone suche powietrze
- powietrze resztkowe o wysokiej zawartości tlenu
Zastosowania CryoGANu
Azot wytwarzany przez generator azotu CryoGAN jest idealny dla przemysłu chemicznego, naftowego i gazowego, motoryzacyjnego, rolniczego i spożywczego, elektronicznego i innych, w tym produkcji akumulatorów litowo-jonowych.
W oparciu o wymagania, życzenia klienta i uzgodnione warunki, generator azotu CryoGAN z systemem rezerwowym zostanie zainstalowany w siedzibie klienta. System pozwala zagwarantować ciągłość dostaw gazu do produkcji klienta w zakresie wymaganej objętości i ciśnienia.
