Co to jest CryoGOX?
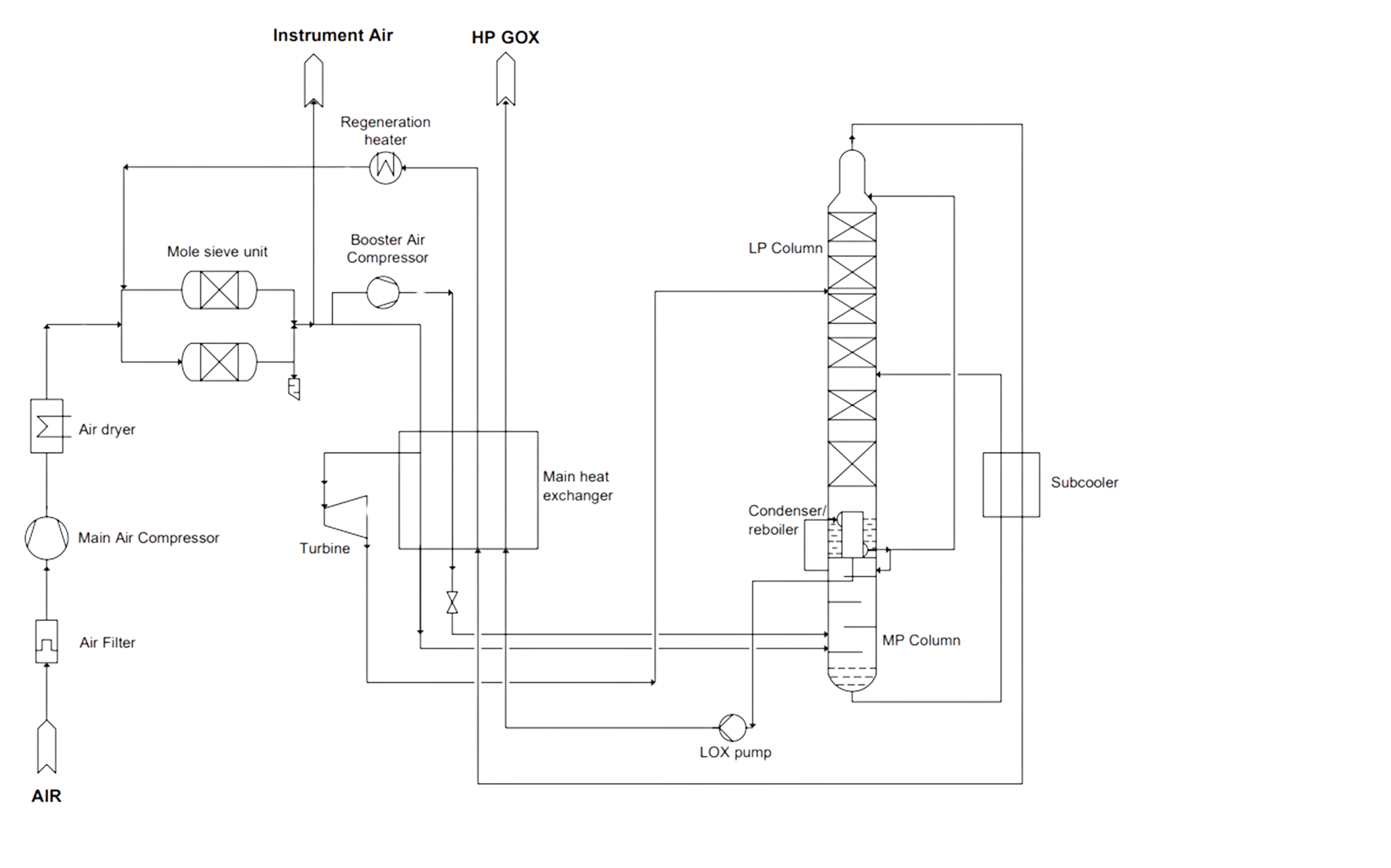
Aby zaspokoić zapotrzebowanie na większe ilości tlenu przy optymalnych kosztach, Messer opracował generator CryoGOX, który działa na zasadzie kriogenicznej separacji powietrza, aczkolwiek z wewnętrzną kompresją produktu: ciekły tlen jest pobierany z kolumny niskociśnieniowej i pompowany przez wymienniki ciepła pod ciśnieniem w celu schłodzenia wchodzących gazów powietrznych. Uzyskany w ten sposób strumień gazowego tlenu jest dostępny dla klientów pod ciśnieniem do 20 barów.
Główne zalety koncepcji generatora CryoGOX
- brak konieczności stosowania drogiej sprężarki tlenu
- wysoka czystość tlenu (99,8%)
- możliwość ekonomicznej produkcji ciekłego azotu na potrzeby magazynowania
Układ instalacji został zaprojektowany zgodnie z najnowszymi międzynarodowymi zasadami i przepisami i opiera się na filozofii bezpieczeństwa i niezawodności Messer, która jest stosowana od ponad 20 lat w zakładach separacji powietrza dla klientów na całym świecie. Instalacja została zaprojektowana do automatycznego sterowania i automatycznego działania w normalnych warunkach pracy. Wszystkie zawory, które muszą być regulowane podczas pracy, mogą być obsługiwane zdalnie.
Generator tlenu CryoGOX przeznaczony do produkcji tlenu w postaci ciekłej lub gazowej z powietrza atmosferycznego. Urządzenie jest szczególnie korzystne dla zakładów, które zużywają duże ilości tlenu gazowego.
Główne cechy generatora tlenu CryoGOX
Niezawodne dostawy ze źródła zapasowego - na wszelki wypadek - są wisienką na torcie każdej koncepcji zakładowej, pozwalając klientowi spać spokojnie pod względem dostaw gazu, nawet w przypadku przestojów konserwacyjnych, przerw w dostawie prądu lub innych nieprzewidzianych zdarzeń. Nasza regionalna sieć logistyczna z centralnie zarządzaną ogólnoeuropejską koordynacją, w połączeniu z zaawansowanym planowaniem produkcji, zapewnia, że każdy klient otrzymuje niezawodne dostawy gazów technicznych od Messer, nawet podczas planowanych i nieplanowanych przestojów.
Opcjonalne produkty uboczne dla generatora tlenu
- Ciekły tlen
- Sprężone suche powietrze
- Gazowy azot
- Ciekły agron
Zastosowania CryoGOX
Generator tlenu CryoGOX wytwarza tlen o czystości od 93 do 98% (dostępność < 99,8%), co pozwala na jego wykorzystanie w produkcji szkła i metali, rybołówstwie, cięciu laserowym, oczyszczaniu wody i innych gałęziach przemysłu, w tym w produkcji baterii litowo-jonowych.
W oparciu o wymagania, życzenia klienta i uzgodnione warunki, generator tlenu CryoGOX z systemem zapasowym zostanie zainstalowany w siedzibie klienta. System pozwala zagwarantować ciągłość dostaw gazu o wymaganej objętości i ciśnieniu do produkcji klienta.
